OPEN ELECTRIC CO.,LTD.

Open Electric Co.,Ltd.

Products

Search Catalog

You are here: Home >> Products >> DEM082 >> DEM082SM

DEM082SM

DEM082SM
catalogue download Catalogue Download
print this page Print This Page
bookmark this page Bookmark This Page
tell a friend
live messenger Live Messenger
skype me Skype Me
e-mail us sales@opengroup.cc
Add to Basket Inquiry Basket


DEM082SM

THREE PHASE FOUR WIRE ELECTROMECHANICAL FRONT BOARD INSTALLED ACTIVE ENERGY METER
 
 
Application

Model DEM082SM three phase three wire electromechanical front board installed active energy meter is a kind of new style three phase three wire active energy meter, it is on the basis of original D86 three phase electromechanical meter, and fully absorb new technologies about electromechanical meter from domestic and abroad. The meter completely accord with relevant technical requirements of class 2 three phase active energy meter stipulated in international standard IEC 62053-11. It can accurate and directly measure 50Hz or 60Hz active energy consumption from three phase three wire AC electricity net, it is use for setting indoor or out door meter box. The meter has novel design, rational structure, and it can display total energy consumption by drum wheel mechanical register. It has following features: high overload, power loss, long-life, specious appearance, etc.

 
 
Functions and features
Front board three fixed installation, the cover is made of PC material which is transparent and anti-UV molded overall, the bottom of the meter is made of quality steel which is after double-through antirust processing, and the terminal is made of quality bakelite material which is moisture-resistant, fire-retardant, high temperature molded overall. It has following features: good weather ability, high rigid, specious appearance, etc.
The meter frame adopt aluminum molding with excellent mechanical strength, stable structure and anti-impact.
Voltage components and current components is used of double insulation structure, has good electrical characteristics.
Standard configuration the meter adopt double gem bearing, oriented bearing is made of lubrication graphite bush and stainless steel needle. It has following features: Long-life and minimal friction, etc. May select magnetic thrust bearing (Product Configuration code is SA).
All kinds of error adjustment mechanism adopt no step shifting mechanism. The meter starting and creeping needn’t to be adjust which is finished by anti-creeping hole of disc and convenient for adjusting by users.
Standard configuration 6 digits display by drum wheel mechanical register, may select 7 digits display by drum wheel mechanical register (Product Configuration code is SS).
Standard configuration without the device which can prevent retrograde, may select add the function of prevent retrograde. (Please specified when ordering).
Two components measure three phase three wire active energy consumption. Complying with standard IEC 62053-11.
Standard configuration for direct connect operation, type 13B wiring, we can also choose another type of wiring, and use CT (Product Configuration code is SN), type 5B wiring, and PT & CT (Product Configuration code is SO), type 5B wiring for operation.
Extension terminals cover, in order to protect to use safety.
 
 
Technical parameters

 Model

Accuracy

Reference
voltage (V)

Current
specifications (A)

Starting
current (A)

Insulation
performance

 DEM082SM

Class 2

3 x 220
3 x 400

5(20)
10(40)
20(80)
30(100)

0.025
0.05
0.1
0.15

AC voltage 2kV for 1 minute,
1.2/ 50us waveform
impulse voltage 6kV

*If you need different reference voltage or current specification, please advisory our sales.
 
 
Outer and mount dimension
 
 
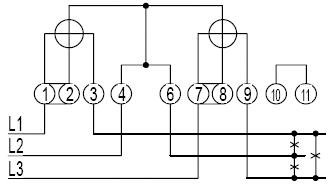
Wiring diagram (Type 13B)

Terminal

 Note

1 Inlet L1 phase line
3 Outgoing L1 phase line
4 Inlet L2 phase line
6 Outgoing L2 phase line
7 Inlet L3 phase line
9 Outgoing L3 phase line
10 Don't use
11 Don't use
MCCB :: RCBO :: Residual Current Circuit Breaker :: Air Circuit Breaker :: Distribution Box :: Surge Protective Device :: Moulded Case Circuit Breaker
OPEN Electrical Technology Co., Ltd All Rights Reserved | Sitemap