OPEN ELECTRIC CO.,LTD.

Open Electric Co.,Ltd.

Products

Search Catalog

You are here: Home >> Products >> DEM341 >> DEM341FM

DEM341FM

DEM341FM
catalogue download Catalogue Download
print this page Print This Page
bookmark this page Bookmark This Page
tell a friend
live messenger Live Messenger
skype me Skype Me
e-mail us sales@opengroup.cc
Add to Basket Inquiry Basket


DEM341FM

THREE PHASE THREE WIRE ELECTRONIC MULTI-RATE FRONT BOARD INSTALLED ACTIVE ENERGY METER

 

 

Application

Model DEM341FM three phase three wire electronic multi-rate front board installed active energy meter is a kind of three phase three wire two tariffs (tariff conversion is controlled by timer outside or similar equipment) active energy meter, the meter completely accord with relevant technical requirements of class 1 three phase active energy meter stipulated in international standard IEC 62053-21. It can accurate and directly measure 50Hz or 60Hz active energy consumption from three phase three wire AC electricity net, it is use for setting indoor or out door meter box. This meter has seven digits LCD displays shows various consumption data and information. It has following features: good reliability, light weight, specious nice appearance, convenient installation, etc.

 

 

Functions and features

Front board three fixed installation, up and down mounting holes center distance is 198-212 mm, users can choose any one by themselves.
Have two tariffs, and port of set the tariff, input control voltage 0-90 Vac, set up tariff F1, input control voltage 150-400 Vac, set up tariff F2, the tariff conversion is controlled by timer outside or similar equipment.
Standard configuration cycle display every 5 second, it can display 6 data at most. Can select the data which displayed. The decimal median which displayed can choose set one or two. (Default two decimal, please specified when ordering)
Use memory that is not loss easy, the data can be kept forever after power cut off.
There are a polarity port of pulse output passive closed and a nonpolarity port of pulse output passive distant, the output rate is 10 or 100 imp/kWh (can select), Complying with standard IEC 62053-31 and DIN 43864.
There are far infrared and a port of RS485 communication data. It is use for setting and reading the meter, communication agreement complying with standard DL/T645-1997.
Seven LED instructions respectively power supply state, signal of energy impulse, the direction of the flow of load current, and the state rates just now
Single direction two components measure three phase three wire active energy consumption. It is nothing with direction of the flow of load current. Complying with standard IEC 62053-21.
Standard configuration for direct connect operation, type 13B wiring, we can also choose another type of wiring, and use CT (Product Configuration code is FO) and PT & CT (Product Configuration code is FQ), type 5B wiring for operation.
Standard configuration extension terminals cover, in order to protect to use safety, may select short terminals cover. (Product Configuration code is FL).

 

 

Technical parameters

 Model

Accuracy

Reference
voltage (V)

Current
specifications (A)

Starting
current (A)

Insulation
performance

 DEM341FM

Class 1

3 X 220
3 X 400

5(30)
10(60)
20(100)

0.02
0.04
0.08

AC voltage 4kV for 1 minute,
1.2/50us waveform
impulse voltage 6kV

*If you need different reference voltage or current specification, please advisory our sales.

 

 

Outer and mount dimension

 

 

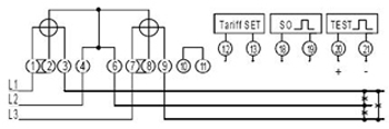
Wiring diagram (Type 13B)

Terminal

 Note

1 Inlet  L1 phase line
3 Outgoing L1 phase line
4 Inlet  L2 phase line
6 Outgoing L2 phase line
7 Inlet  L3 phase line
9 Outgoing L3 phase line
10 Don't use
11 Don't use
12 and 13 Port of set the tariff
18 and 19 Port of pulse output passive distant
20 and 21 Port of pulse output passive closed
MCCB :: RCBO :: Residual Current Circuit Breaker :: Air Circuit Breaker :: Distribution Box :: Surge Protective Device :: Moulded Case Circuit Breaker
OPEN Electrical Technology Co., Ltd All Rights Reserved | Sitemap